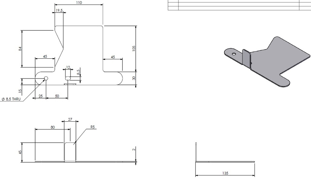
Glissière pour l` air secondaire

Référence fournisseur : 329538
https://www.chemineeshenry.be/web/image/product.template/327611/image_1920?unique=2ca9aee

26,24 € 26.240000000000002 EUR 26,24 €

23,85 €

Not Available For Sale

Cette combinaison n'existe pas.

Conditions générales
Enlèvement uniquement sur place
Possibilité de livraison sous certaines conditions