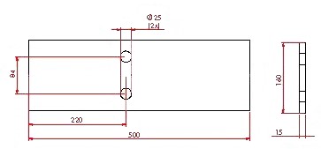
Plaque d'isolation + trou Eco900 derrière

Référence fournisseur : 301559
https://www.chemineeshenry.be/web/image/product.template/327784/image_1920?unique=1ab4aa4

105,03 € 105.03 EUR 105,03 €

95,48 €

Not Available For Sale

Cette combinaison n'existe pas.

Conditions générales
Enlèvement uniquement sur place
Possibilité de livraison sous certaines conditions